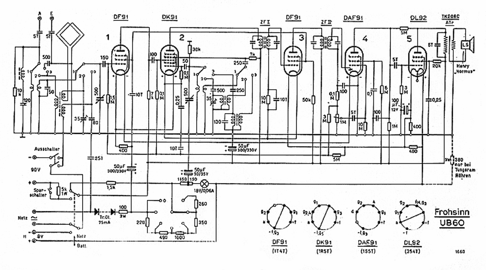
Schaltplan Frohsinn UB60